Официальный интернет-магазин производителя
пн. – пт.: 09:00 – 18:00
Консультации: пн. – пт. c 09:00 до 18:00
Обработка заказов: ежедневно с 09:00 до 23:00
Меню

Комбинированная установка питания «Штиль» IR48/400-48/72-2U

  • Форм-фактор
    в стойку
  • Номинальное входное переменное напряжение, В
    400
  • Предельный диапазон входного напряжения, В
    110-290
  • Номинальное выходное напряжение переменного тока, В
    400
  • Номинальное выходное напряжение постоянного тока, В
    48
  • Точность стабилизации выходного напряжения, %
    1,5
  • Выходная мощность по постоянному току, кВт
    4,8
  • Выходная мощность по переменному току, кВт
    7,2
Профессиональный
подбор
Профессио-
нальный подбор
Простая
покупка
Фокус
на качестве
Удобная
доставка
Официальная
гарантия
Самый полный
ассортимент
Обмен и возврат
в течение 7 дней

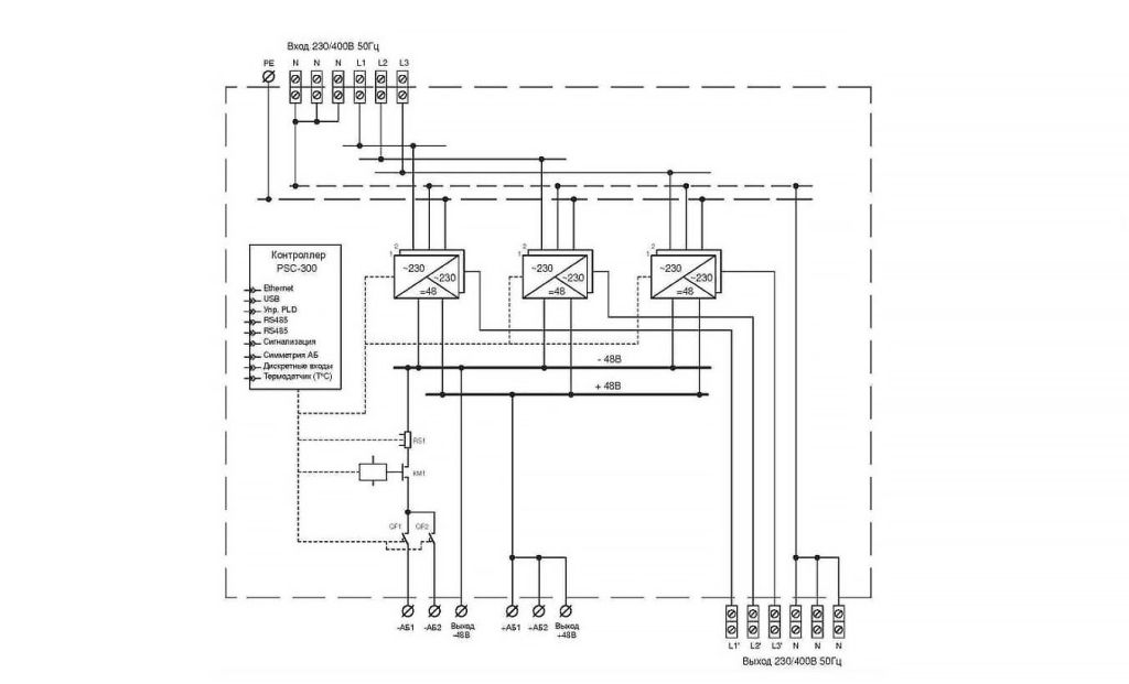
Комбинированная установка питания «Штиль» IR48/400-48/72-2U с выходной мощностью 4,8 кВт (по DC) и 7,2 кВт (по AC) объединяет в себе функции:

  • установки питания постоянного тока (используется для питания нагрузки постоянным напряжением 48 В и заряда батарейного массива с номинальным напряжением 48 В);
  • инвертора (используется для питания нагрузки стабилизированным переменным напряжением 230 В).

Общий принцип работы

При наличии сети переменного тока 230 В / 400 В на входе:

  • стабилизирует выходное напряжение переменного тока для питания нагрузки АС;
  • выдает напряжение постоянного тока 48 В для питания нагрузки постоянного тока и заряда буферных аккумуляторных батарей (ток заряд регулируется через контроллер PSC-300 в составе системы питания.

При отсутствии сети переменного тока работает от аккумуляторных батарей в режиме инвертора. Переключение в автономный режим выполняется автоматически при выходе переменного напряжения за пределы рабочего диапазона.

Функциональная схема


Общие
Форм-фактор в стойку
Выходная мощность по постоянному току, кВт 4,8
Выходная мощность по переменному току, кВт 7,2
Страна производитель Россия
Входные характеристики
Рабочий диапазон входного переменного напряжения, В 185-275
Номинальное входное переменное напряжение, В 400
Предельный диапазон входного напряжения, В 110-290
Рабочий диапазон входного постоянного напряжения, В 43-58
Выходные характеристики
Номинальное выходное напряжение постоянного тока, В 48
Номинальное выходное напряжение переменного тока, В 400
Точность стабилизации выходного напряжения, % 1,5
Механические характеристики
Габаритные размеры ВхШхГ (без упаковки), мм 87,3х482,6х396,74
Цвет корпуса серый
Внутренняя полезная высота, U 2
Листовки, брошюры, каталоги
Выпрямительно-инверторные системы, инверторы и установки питания. Каталог, 2026 год Скачать
0 отзывов
Для этого товара пока нет отзывов.
Оставьте отзыв первым и участвуйте в акции!
Ваше мнение поможет другим покупателям в выборе.

Нужна помощь?

Задайте вопрос – вам ответит наш эксперт или один из покупателей

Вы оставляете вопрос как:

Заполните, чтобы получать ответы на ваш комментарий. Ваша электронная почта не будет видна другим пользователям

Нажимая кнопку «Отправить», я принимаю условия «Соглашения на обработку персональных данных» и даю согласие на обработку моих персональных данных
Пока об этом товаре нет вопросов. Оставьте вопрос первым!